Hello All:
I'm going to get to work the 69 Toronado that's been waiting for my attentions for about a year. I've had some time to look over the car and am trying to develop a plan of action. It needs some brake work - the master cylinder leaks out. I may replace as many of the rubber bushing as I can in the suspension and steering. Replace the carpet. Pull the motor and replace as much of the vacuum lines etc. as needed - possible. Here's my question - the comfortron system looks like a nightmare to trouble shoot and get going and awfully complicated to boot. I'm thinking it may do alot for my sanity, and for getting the car on the road, if I were replace it with a more straightforward factory system. Thoughts or suggestions?
Comfortron replacement
- janeg
- Posts: 134
- Joined: Sat May 16, 2009 8:07 pm
- TOA Membership Number: 42
- Years Owned: 1966 Deluxe and 1992 Trofeo
- Location: NW of Milwaukee, WI
Re: Comfortron replacement
It is difficult to repair a Comfortron and parts are very rare. We had a local AC expert who put in a great effort to get ours going. I think this would cost less than replacing it but others would have a more informed opinion on that.
Jane G
TOA #042
Membership Director
TOA #042
Membership Director
- Doc Hubler
- Posts: 363
- Joined: Thu Sep 27, 2012 9:37 pm
- TOA Membership Number: 992
- Years Owned: 1967
Re: Comfortron replacement
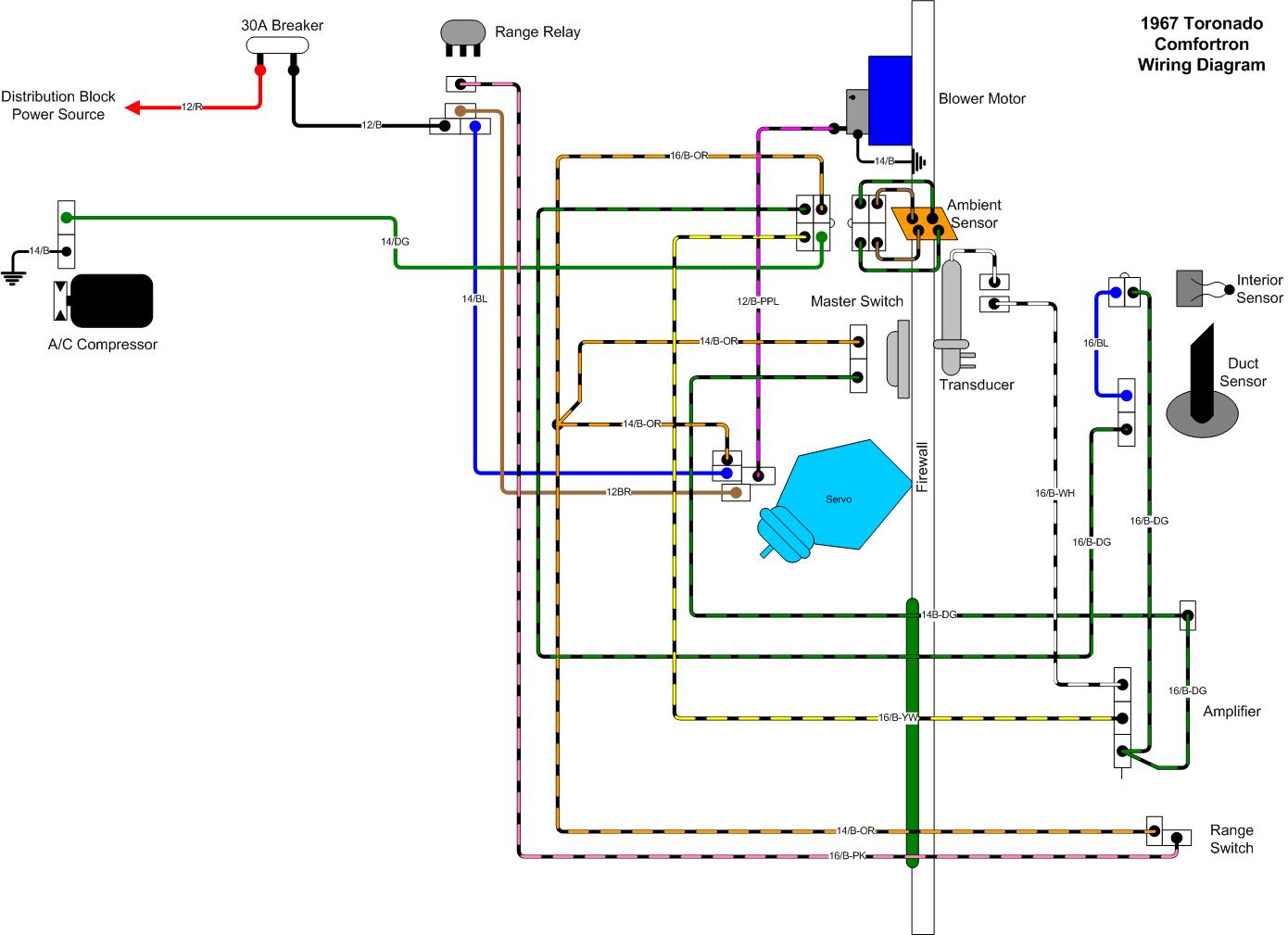
Don't give up on it yet. Try to do some troubleshooting per the manual. I still can't claim to know if mine is working correctly yet since I have to take it to the shop to get the oil in the rebuilt compressor in place and add the R134a for the AC part. I went through mine completely though. PowerServo, Master Switch (very easy to tell if they have gone bad), control panel, the 3 sensors, and the transducer, which I had to find NOS and replace it. The transducers are part of the heart of the system and convert electrical voltage into regulated vacuum controlling a number of functions. many transudcers, like mine, fail as they age as the rubber diaphram inside comes apart and fails. Another member was looking trying to come up with a replacement for that diaphram. There are other factors that can affect the way your system works. There are 2 bimetallic vacuum thermisters (one on control panel, 1 on engine heater hose connection) that can go bad -- system doesn't work correctly if those don't work. Also, for the AC part, I had the POA valve recalibrated to handle R-134a. Some have stayed with R-12, but that really isn't a viable freon for any length of time (or even presently). I also had the drier rebult for the AC/freon. Just has to be done one the system is opened up and had been in service for so many decades. Failure to recalibrate POA valve will cause the AC portion to no produce enough cold air as the valve is not calibrated to open/close the correct amount, causing correct cooling of air. All vacuum lines need to be checked for vacuum leaks (fairly easy, take them all out). All electrical wires need a consistency check. I have some diagrams of vacuum and electrical system connections for 67. THey may have changed a little for 69. There are other parts to check out, but there are the primary areas that may be causing problems. Diagram.jpg[/attachment]
- Attachments
-
- Comfortron Vacuum 1967.jpg (77.65 KiB) Viewed 22331 times
- Doc Hubler
- Posts: 363
- Joined: Thu Sep 27, 2012 9:37 pm
- TOA Membership Number: 992
- Years Owned: 1967
Re: Comfortron replacement
TVV is the thermostatic vacuum valve referred to above. It's on the water valve coming up off intake on top behind air cleaner. Another one is on the instrument control panel.
-
GrantRees
- Posts: 24
- Joined: Wed Oct 07, 2015 12:11 pm
- TOA Membership Number: 0
- Years Owned: 1969 Toronado
- Location: Vermont
Re: Comfortron replacement
Thanks, all. Appreciate the input. The PO of my toronado literally cut out the ac unit. I have it but still..... I'd like to get the confortron running. I think I've found where I can get a replacement transducer. I do plan on pulling the motor which should make it much easier to work through all the vacuum lines and routing. I want to get the headlights working - I recall the flip up lights from my troubled yute and always thought that they were super cool. Also plan on pulling up and replacing the carpet and repairing an couple of breaches in the floor. If I could just run and straight ahead heat / def. even w/o the AC i'd be happy, although the AC would be a very nice touch. I'll not be able to get too far in to it until after Christmas, but I'm sure I'll be back with questions and some pictures.
- Attachments
-
- IMG_0480.JPG (811.52 KiB) Viewed 22328 times
-
- IMG_0483x.jpg (1.07 MiB) Viewed 22328 times
- Doc Hubler
- Posts: 363
- Joined: Thu Sep 27, 2012 9:37 pm
- TOA Membership Number: 992
- Years Owned: 1967
Re: Comfortron replacement
Looks great! One of the members has a 69 W34 that lives nearby. Hope he'll share more pictures of his car. He's mostly done with a restoration now.
-
Mikel
- Posts: 136
- Joined: Tue Aug 11, 2009 7:26 am
- TOA Membership Number: 100
- Location: New Haven, CT
Re: Comfortron replacement
That's one good looking Toronado!
I've been working on mine. I got most of the vacuum side working, but I still can't get the amplifier to give me a variable voltage to the transducer.
Until I have that figured out, I'm thinking of simply rigging a manual vacuum regulator to the power servo and using that to control the heat/AC. The power servo does most of the work, so that might be a good idea for those who don't have a completely running system but don't want to hack it.
I've been working on mine. I got most of the vacuum side working, but I still can't get the amplifier to give me a variable voltage to the transducer.
Until I have that figured out, I'm thinking of simply rigging a manual vacuum regulator to the power servo and using that to control the heat/AC. The power servo does most of the work, so that might be a good idea for those who don't have a completely running system but don't want to hack it.
- Jodyamblard
- Posts: 11
- Joined: Thu Aug 13, 2020 10:11 am
- TOA Membership Number: 0
Re: Comfortron replacement
Hello,
When my system wouldn't send variable voltage (3 - 10 VDC) to the transducer, I eventually diagnosed that it had been a sensor issue.
The lead from the last sensor in the floor duct (they're connected in series) had no continuity with the middle tab on the amplifier. So I just by-passed the usual connection to the middle tab with a jumper from the last sensor - complete success.
Note that the amplifiers are quite bullet proof - I learned this because I possess 8 of them that I tried before solving my sensor problem.
They're still available if anyone needs one - tested and functioning perfectly.
I had also considered a manual vacuum regulator for the servo, or a manual voltage regulator for the transducer.
Best, Jody
When my system wouldn't send variable voltage (3 - 10 VDC) to the transducer, I eventually diagnosed that it had been a sensor issue.
The lead from the last sensor in the floor duct (they're connected in series) had no continuity with the middle tab on the amplifier. So I just by-passed the usual connection to the middle tab with a jumper from the last sensor - complete success.
Note that the amplifiers are quite bullet proof - I learned this because I possess 8 of them that I tried before solving my sensor problem.
They're still available if anyone needs one - tested and functioning perfectly.
I had also considered a manual vacuum regulator for the servo, or a manual voltage regulator for the transducer.
Best, Jody
Who is online
Users browsing this forum: No registered users and 32 guests